Spann-Boy® TS als Riemenspanner
mit Rolle
Eigenschaften

Für die vollständige Ansicht dieses Produktbereichs wählen Sie bitte die Desktop-Darstellung.
Für die vollständige Ansicht dieses Produktbereich wechseln Sie bitte zum Querformat Ihres Tablets.

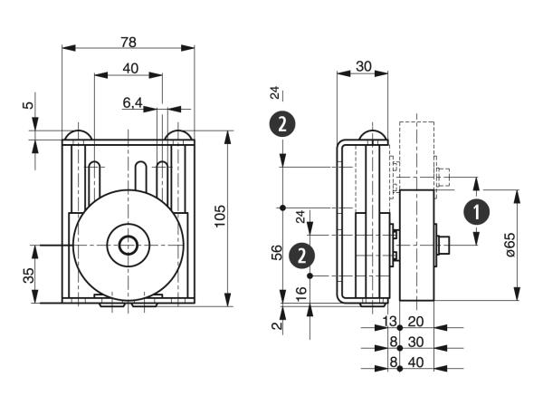
- 1) Spannweg
- 2) Langloch 24
